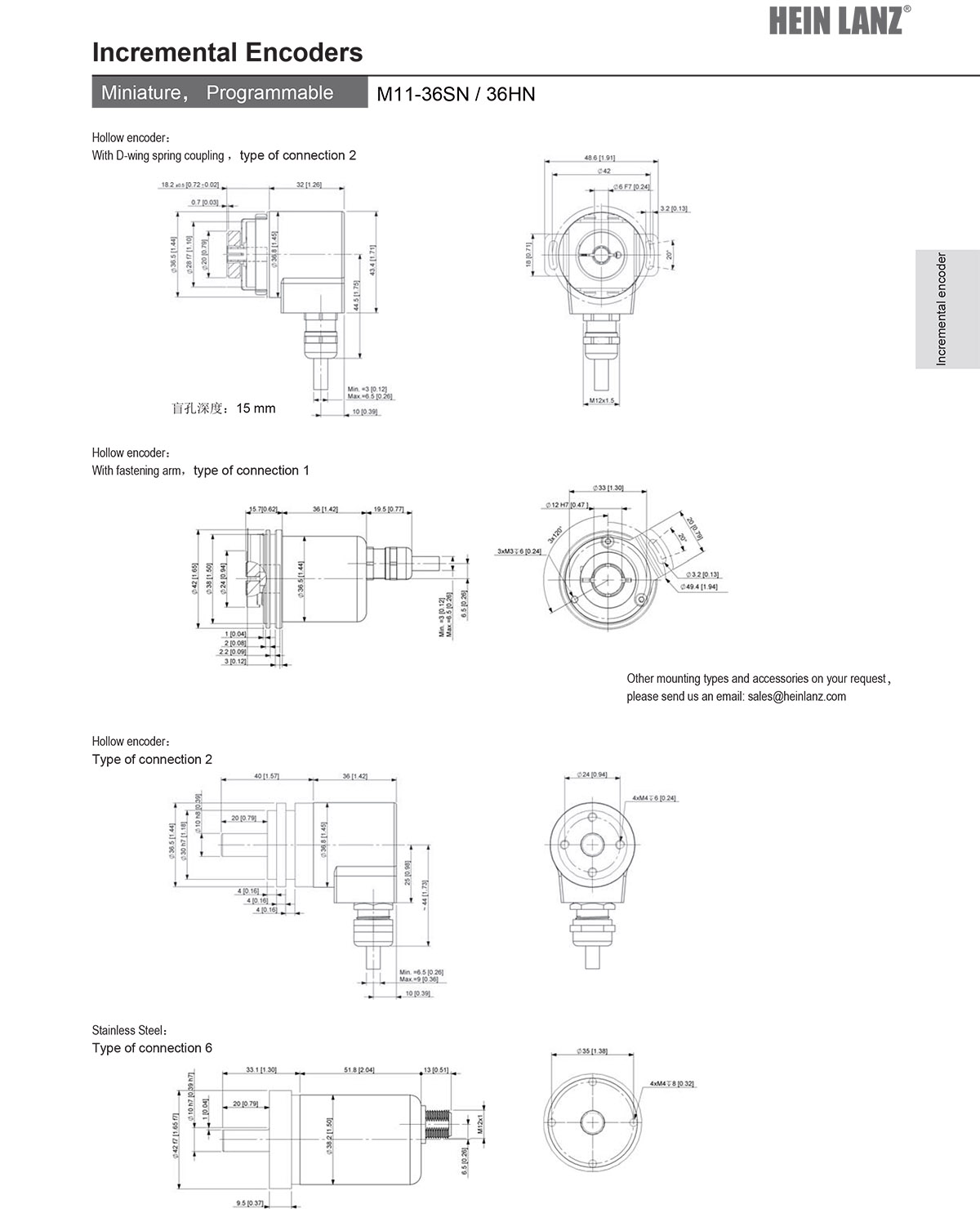
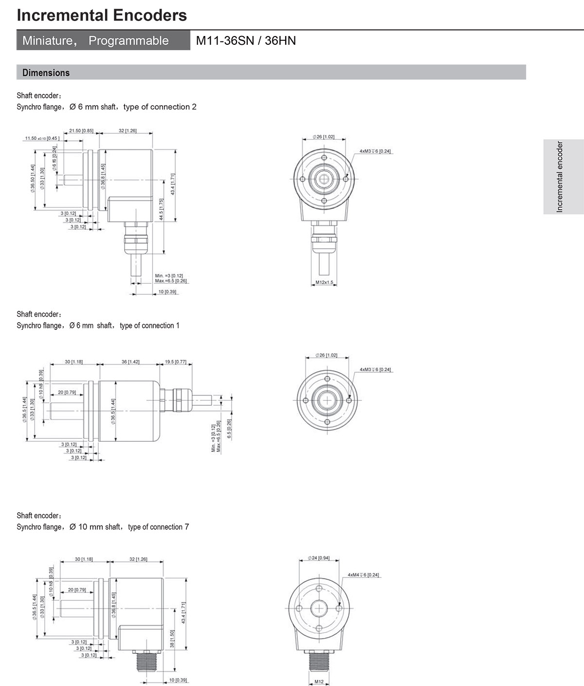
Optical incremental encoder M11-36HN
Product family: M11-36SN
Dimensions: Ø 36 mm
Hollow shaft max: Ø ≥±<12 mm
Protection max:IP 65
Output circuit: RS 422
Resolution max: 16384βεδ ppr
Temperature: -40…+85πφ°C
Power supply: 5 V DC,8…30 V¶ DC
Outlet means: Cables, M12,M23Conne ε♥ctor
>>More:Optical incremental encoder M11-36HN↕©
