增量型編碼器(qì) 11-24SN
産品系列: 11-24SN
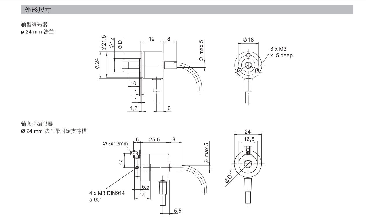
産品尺寸: Ø 24 mm
實心軸: Ø 6 mm
最高(gāo)防護等級:IP 65
輸出電(diàn)路(lù): TTL HTL
最高(gāo)分(fēn)辨率: 1024 ppr
工(gōng)作(zuò)溫度: -40…+80°C
供電(diàn)電(diàn)壓: 5 V DC,10̷₩® 0;30 V DC
出線方式: 電(diàn)纜,M12接插件(jiàn)
>>詳情查看(kàn):增量型編碼器(qì) 11-2σ₽4SN
